
Ayrıntılı Ürün Açıklaması
| Avantaj: | Yüksek hız | Etiketleme Hızı: | 60-200 adet / dak |
|---|---|---|---|
| İşlev: | Ahesive Etiket Etiketleme | Malzeme: | Paslanmaz çelik |
| Şişe Tipi: | Otomatik Yuvarlak Şişe Etiketleme Kavanozu | Uygulama: | Her Türlü Yuvarlak Konteyner İçin |
| Plc Markası: | MITSUBISHI (Japonya) | Servo Etiketleme Motoru: | DELTA (Tayvan) |
kırmızı şarap etiketleme makinesi cam şarap şişesi etiketleme makinesi, PLC kontrol sistemi MITSUBISHI marka etiketleme makinesi
Özellikleri:
1. Çalışma: PLC kontrol sistemi, etiketleme makinesinin kullanımını kolaylaştırır
2. Malzeme: Etiketleme makinesinin ana gövdesi SUS304 paslanmaz çelikten imal edilmiştir.
3. Konfigürasyon: Etiketleme makinelerimiz iyi bilinen Japon, Alman, Amerikan, Kore veya Tayvan marka parçaları kullanır
4. Esneklik: Müşteri, yazıcı ve kod makinesi eklemeyi seçebilir; Converyer ile bağlantı kurup kurmamayı seçebilir.
Teknik parametreler:
| İsim | Yüksek hızlı kol için otomatik yuvarlak şarap şişesi yuvarlak şişe etiketleme makinesi küçültmek |
| Etiketleme Hızı | 60-350pcs / dak |
| Nesne Yüksekliği | 30-350 mm |
| Nesne Kalınlığı | 20-120 mm |
| Etiket Yüksekliği | 5-180 mm |
| Etiket Uzunluğu | 25-300 mm |
| Etiket Rulosu İç Çapı | 76 mm |
| Etiket Rulosu Dış Çapı | 420 mm |
| Etiketleme Doğruluğu | ± 1 mm |
| Güç kaynağı | 220V 50 / 60HZ 3.5KW |
| Yazıcının Gaz Tüketimi | 5Kg / m2 (kodlama makinesi eklerseniz) |
| Etiketleme Makinesi Boyutu | 2800 (U) × 1650 (G) × 1500 (Y) mm |
| Etiketleme Makinesi Ağırlığı | 180kg |
Yapılandırma
| Hayır. | Bölüm | marka | miktar |
| 1 | PLC | MITSUBISHI (Japonya) | 1 |
| 2 | Ana dönüştürücü | DANFOSS (Danimarka) | 1 |
| 4 | HMI | WEINVIEW (Tayvan) | 1 |
| 5 | Servo etiketleme motoru | DELTA (Tayvan) | 1 |
| 6 | Servo etiketleme motor sürücüsü | DELTA (Tayvan) | 1 |
| 7 | Konveyör motoru | HY (Tayvan) | 1 |
| 8 | Konveyör motor şanzıman | HY (Tayvan) | 1 |
| 9 | Bölme şişesi motoru | GPG (Tayvan) | 1 |
| 10 | Bölme şişesi motor şanzıman | GPG (Tayvan) | 1 |
| 11 | Motor hız regülatörünü ayıran şişe | GPG (Tayvan) | 1 |
| 12 | Motor konuştu | GPG (Tayvan) | 1 |
| 13 | Motor şanzıman konuştu | GPG (Tayvan) | 1 |
| 14 | nesne sihirli gözü algılar | OMRON (Japonya) | 1 |
| 15 | Optik lif | OMRON (Japonya) | 1 |
Makine detayı:

32 ana etiketleme makinesi parçası

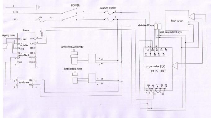
Devre şeması

SSS:
1 etiket baloncukları alır
Sebepler:
① sıyrılan tahta iyi değil / düz değil;
② pulluk tahtası iyi değil / düz değil;
③ etiketleme çıktısı çok hızlı veya montaj hattının hızı çok düşük;
④ etiket çok gevşek çekilmiş
Çözümler:
① düz sıyrılmış tahtayı değiştirin;
② düz bir pulluk tahtasını değiştirin;
③ etiketleme çıkış hızını yavaşlatın veya montaj hattının hızını artırın;
④ etiket kayışını düzgün şekilde etkileyin.
Etiket: endüstriyel etiketleme makinesi, cam şişe etiketleme makinesi









